string(4) "3043"

Твердотопливный паровой котел 1500 кг / 1.5 т пара -170°С -0,9 МПа / 9 кгс/cм² в Ростове-на-Дону

Версия
для печати
В наличии на складе Цена в рублях с НДС 2 262 000
Получите скидку
у менеджера
Цена на твердотопливный паровой котел 1500 кг / 1.5 т пара -170°С -0,9 МПа / 9 кгс/cм² с доставкой от 2 262 000 рублей с НДС
Производительность, кг/ч1500
ТопливоТвердое, Уголь
Температура пара, не более, °C170
Давление пара, не более, МПа0.9
Доставка ТК в г. Ростов-на-Дону и по России
Безналичный расчет
Опросный лист
Эту продукцию можно
купить в лизинг
  • Технические
    характеристики
  • Описание
    товара
  • Комплект
    поставки
  • Дополнительно
    потребуется
  • Подключение и
    монтаж
  • Сертификаты и
    гарантии
  • Отзывы о
    продукции
  • Видео
    обзор

МАКСИМАЛЬНАЯ НАДЕЖНОСТЬ: Ни одной трубной доски. Ни одной дымогарной трубы. Ни одной поломки.

Паровой котел STEAMEXPERT. Все поверхности нагрева — водоохлаждаемые. Только равномерное расширение, никаких трещин и порывов весь срок службы.

МАКСИМАЛЬНАЯ СТАБИЛЬНОСТЬ: Утроенный водяной объем гасит скачки давления и не боится подпитки холодной водой. Ваше производство не знает простоев.

МАКСИМАЛЬНОЕ КАЧЕСТВО ПАРА: Объемный сепаратор гарантирует сухой пар без влаги. Никакого риска для вашей технологии.

МАКСИМАЛЬНАЯ ЭФФЕКТИВНОСТЬ: Высокое КПД достигнут конструкцией, а не навесным экономайзером. Вы экономите на монтаже и эксплуатации с первого дня.

МАКСИМАЛЬНОЕ УДОБСТВО: Самоочистка от шлама и паровая продувка снаружи без остановки котла. Минимум сервиса — максимум работы.

Технические характеристики парового котла Е 1.5 0.9 Р твердотопливного

Тип Паровой котел Е
Вид топки Ручная, Колосники
Конструкция котла Жаротрубный
Производительность, кг/ч 1500
Производительность, т/ч 1.5
Максимальная тепловая мощность, МВт 1.1
Диапазон регулирования мощности, % 50-100
Топливо Твердое, Уголь
Низшая теплота сгорания проектного топлива, кКал/кг 5230
КПД котла на УГЛЕ, не менее, % 82
Расход УГЛЯ при максимальной нагрузке котла, кг/ч 256
Расход условного топлива, кг/ч 191
Температура пара, не более, °C 170
Давление пара, не более, МПа 0.9
Давление пара, не более, (кгс/см²) 9
Давление пара, не более, бар 9
Полный объем котла, м³ 6.6
Объем паровой части, м³ 0.63
Аэродинамическое сопротивление, Па (мм. вод. ст.) 23.8 (2.38)
Тяга Принудительная
Объем топочной камеры, м³ 3.22
Размер топочной камеры, длина*ширина*высота, мм 2640х1100х1050
Активная площадь решетки горения, м² 2.74
Присоединительные размеры выхода пара, Ду 80
Присоединительные размеры по водяному тракту, Ду 32
Присоединительные размеры по дымовым газам / диаметр дымовой трубы, мм 550
Габаритные размеры котла, длина*ширина*высота, мм 5000х2200х2400
Масса, кг 7000
Марка STEAMEXPERT
Энергоэффективность Высокая
Бренд STEAMEXPERT

Паровой котел мощностью 1500 кг пара в час на твердом топливе, давлением 0.9 МПа в Ростове-на-Дону

Предназначен для получения насыщенного пара высокого давления 1500 кг пара в час - температурой не более 170 °С и давлением не более 0,9 МПа, 9 кгс/cм² или 9 бар. Применяют твердотопливные паровые котлы 1,5 т пара в час строительные организации, бетонные заводы, ЖБИ, воинские части, мясокомбинаты, консервные заводы, автоколонны, ДСУ, хлебозаводы, мелькомбинаты, маслосырзаводы, птицефабрики, свинокомплексы, предприятия нефтегазовой промышленности и сельского хозяйства в животноводстве, птицеводстве.

Наш котельный завод также производит паровые котлы производительностью 1500 кг/ч с другими давлениями и температурой.

Твердотопливные паровые котлы 1.5 т 0.9 МПа 170 ºС марки STEAMEXPERT имеют следующие преимущества

  • Исключен вынос капель воды в технологические трубопроводы благодаря большой поверхности испарения и наличию сепаратора пара
  • Стабильная непрерывная выработка пара требуемых параметров при любой нагрузке благодаря большой паросборной камере - до 15 % от общего объема
  • Высокая скорость образования пара благодаря эффективной конвективной части котла
  • Возможность подпитки котла холодной водой +5°С благодаря большому водяному объему и отсутствию температурных колебаний в трубной системе
  • Повышенная надежность конструкции благодаря отсутствию неравномерных температурных расширений в жаровой трубе и трубной части теплообменника
  • Внешние поверхности нагрева очищаются паром без остановки котла
  • Внутренние поверхности нагрева не имеют горизонтальных участков и позволяют дренировать и очищать котел от выпадающего в процессе работы шлама без остановки парообразования

Конструкция, устройство и принцип работы паровых твердотопливных котлов 1500 кг пара

Твердотопливный паровой котел STEAMEXPERT Е 1500-0,9-170 - энергоэффективный, жаротрубный, горизонтальный, компактный, круглый, с естественной циркуляцией и высоким КПД.

Теплообменник изготавливается из двух стальных цилиндров разного диаметра, вставленных один в другой и соединенных между собой фланцами и конвективными трубами. В верхней части теплообменника приварен паросборник, представляющий собой полуцилиндр. Конвективный трубный пучок соединяет верхнюю и нижнюю часть водяной рубашки котла, пар образуется при испарении нагреваемой воды и собирается в паросборной камере, далее через паропровод направляется потребителю на технологические нужды. Дымовые газы проходят через трубный пучок и выходят в верхней части котла. В передней части жаровой трубы размещена топка с чугунными колосниками для каменного и бурого угля, а в задней части - конвективный пучок труб. Топливо загружается вручную, паропроизводительность регулируется путем увеличения или уменьшения количества загружаемого в топку угля. Температура сухого насыщенного пара низкого давления регулируется изменением давления пара, чем ниже давление пара, тем ниже температура. Для безопасности работы в передней части жаровой трубы в верхней части установлена легкоплавкая пробка – предохранительное устройство прямого действия. Легкоплавкая пробка предназначена для сброса пара во внутренний объем топочной камеры в случае упуска воды ниже аварийного уровня и достижения фактического уровня воды на работающем котле ниже верхней кромки жаровой трубы. При этом легкоплавкая пробка перестает охлаждаться котловой водой и нагревается до температуры газов в топочной камере. Из-за нагрева наполнитель легкоплавкой пробки плавится и выдавливается давлением пара в топочную камеру, при этом сбрасывается давление пара и дополнительно гасится пламя.

Комплектация паровых котлов 1500 кг пара в час 0.9 МПа на твердом топливе

В моделях котлов для сжигания твердого топлива устанавливается неподвижная колосниковая решетка.

Цена на паровые производственные котлы 1.5 т пара и давлением 0.9 МПа на твердом топливе включает полный комплект - манометры, указатели уровня с кранами, предохранительные клапаны, паровые и продувочные вентили, вентилятор поддува, щит управления. Насосы и автоматика поставляются дополнительно.

Монтаж твердотопливных паровых котлов 1.5 т 0.9 МПа

Энергоэффективные котлы 1500 кг 0.9 МПа 170 ºС для производства пара на твердом топливе поставляются блоками максимальной заводской готовности. Котельный блок устанавливается в котельной на специально подготовленную ровную поверхность. Котел подсоединяется по воде, устанавливается запорная арматура на подводящем трубопроводе и отводящем паропроводе, устанавливаются предохранительные клапаны и контрольно-измерительные приборы. Для твердотопливных установок подсоединяется вентилятор. Подключается дымосос и котельная автоматика. Типовые монтажные схемы вы можете изучить в разделе схемы подключения данного товара.

Купить паровой котел 1500 кг - 170 ºС на твердом топливе

Мы производим и поставляем промышленные паровые котлы 1500 кг пара на твердом топливе во все регионы России, Казахстана, Монголии, Таджикистана, Узбекистана, Белоруссии, Армении, Литвы, Киргизии. Доставка может осуществляться транспортными компаниями, авто и железнодорожным транспортом. Оперативно рассчитаем стоимость парового котла 1.5 т пара в час с доставкой в Ростове-на-Дону после получения вашего запроса. Для того чтобы купить твердотопливный паровой котел 1500 кг пара в Ростове-на-Дону, свяжитесь с отделом сбыта по телефону (38-52) 29-97-41 (42), либо оформите заявку онлайн. Наши менеджеры дадут консультацию по подбору вспомогательного оборудования для выбранных вами моделей и рассчитают стоимость доставки до вашего региона и населенного пункта. Также предлагаем вам выполнить проект реконструкции котельной.

Дополнительное вспомогательное оборудование для работы парового котла Е 1.5 0.9 Р твердотопливного

Для эффективной и надежной работы парового котла Е 1.5 0.9 Р твердотопливного в вашей котельной вам потребуется дополнительное оборудование - автоматика ЩУК, насос сетевой и подпиточный, газоходы и переходники для газового тракта, дымовая труба. Мы предлагаем рассмотреть типовые варианты комплектации.

В случае если у вас на объекте уже имеется насосное и тягодутьевое оборудование, мы можем проверить совместимость парового котла Е 1.5 0.9 Р твердотопливного нашего производства и вашего оборудования.

Для проверки соответствия подпиточной воды для котлоагрегата требованиям к питательной воде, направьте нам химический анализ воды, в случае необходимости ее корректировки мы предложим вам систему водоподготовки котловой воды.

Можем изготовить нестандартные узлы для выполнения быстрого монтажа котла - газоходы и узлы обвязки.

Типовую схему монтажа котла вы можете посмотреть во вкладке схемы подключения и монтаж.

Автоматика твердотопливного парового котла выполняет следующие функции:

  • ручной пуск котла, вентилятора и насоса;
  • автоматическое поддержания уровня воды в котле;
  • автоматическое поддержание заданного давления пара на выходе из котла.

Выполняет аварийную остановку котла, вентилятора и насоса при:

  • понижении уровня воды в котле ниже критического уровня;
  • повышении уровня воды в котле выше критического уровня (перелив);
  • повышении давления пара в котле.
Цена 168 000 рублей с НДС

Используется в качестве питательного насоса в производственных паровых котельных

Цена 137 100 рублей с НДС

Разрабатывает индивидуально на основе химического анализа воды потеребителя

Дымосос для удаления дымовых газов из котла.

Цена 101 400 рублей с НДС
  • Компактный золоуловитель для твердотопливных котлов
  • Может устанавливаться как сразу за котлом, так и на улице
  • Универсальная конструкция позволяет организовать выход справа или слева, в зависимости от компоновки газоходов
Цена 61 000 рублей с НДС

Дымосос для удаления дымовых газов из котла.

Цена 217 100 рублей с НДС

Производим газоходы по индивидуальному заказу согласно схеме компоновки котельной. Системы газоходов могут включать в себя:

  • шиберы;
  • газоходы различного сечения;
  • переходы;
  • тройники;
  • карманы всасывающие дымососов.

Схемы подключения и монтаж парового котла Е 1.5 0.9 Р твердотопливного

Жаротрубный твердотопливный паровой котел 1500 кг / 1.5 т пара -170°С -0,9 МПа / 9 кгс/cм², предназначен для получения насыщенного пара для технологических целей в производстве. Устанавливается в производственных и промышленных котельных.

Схема подключения и монтажа
Смотреть
Скачать

Схема подключения и монтажа

Монтаж парового котла Е 1.5 0.9 Р твердотопливного в котельной должен производиться в соответствии с проектом и с учетом требований Свода правил СП 89.13330. 2016 «Котельные установки» и «Правила промышленной безопасности при использовании оборудования, работающего под избыточным давлением, утверждены приказом Федеральной службы по экологическому, технологическому и атомному надзору от 15 декабря 2020 года N 536». Правильный монтаж котла – залог его надежной и долгой работы.

Чтобы правильно подключить твердотопливный паровой котел 1500 кг / 1.5 т пара -170°С -0,9 МПа / 9 кгс/cм² в котельной необходимо оставить проемы для обслуживания оборудования во время эксплуатации. На представленной здесь схеме обозначены их размеры. Кроме того, в данной примерной схеме монтажа паровых котлов и оборудования указан перечень минимально необходимого вспомогательного оборудования.

К вспомогательному оборудованию при подключении промышленного парового котла относят - щит управления котлом, питательные насосы (1 рабочий, 2 резервный), бак запаса воды, охладитель проб отбора воды, систему водоподготовки котловой воды, дымовую трубу, систему газоходов и тягодутьевых механизмов (по проекту).

В случае если подпиточная вода не соответствует по своим характеристикам требованиям к питательной воде, необходимо предусмотреть систему водоподготовки котловой воды.

Система питания котла
Смотреть
Скачать

Система питания парового котла Е 1.5 0.9 Р твердотопливного

При работе котла питание водой парового котла Е 1.5 0.9 Р твердотопливного производится через штуцер.

Подпитка котла ведется из питательного бака через насос, соединительную арматуру. На трубопроводе подпитки котла водой должно быть установлено запорное устройство и обратный клапан. Запорное устройство должно располагаться между котлом и обратным клапаном.

Для подпитки устанавливается не менее двух насосов с электроприводом. На стороне нагнетания каждого центробежного насоса до запорного органа должен быть установлен обратный клапан.

На трубопроводе выдачи пара, в непосредственной близости от котла, устанавливается запорное устройство.

На котле имеются продувочные штуцера Ду25, Ду15 и Ду10. Штуцер Ду25 предназначен для удаления шлама, образующегося в результате работы котла, периодической продувки котловой воды и для спуска воды в случае необходимости. Штуцер Ду15 предназначен для продувки водомерной колонки. Штуцера Ду10 предназначены для продувки указателей уровня.

В передней части жаровой трубы в верхней части установлена легкоплавкая пробка – предохранительное устройство прямого действия.

На боковой части корпуса устанавливается датчик уровней воды, связанный с паровым и водным пространством котла соединительными трубками не менее Ду25.

На боковой части корпуса устанавливается соединительная труба (колонка), служащая для установки двух указателей уровня, и связанная с паровым и водным пространством котла соединительными трубками не менее Ду25.

На боковой части корпуса внизу у котла имеется ревизия с крышкой, для периодического осмотра состояния поверхностей нагрева со стороны водяного объема.

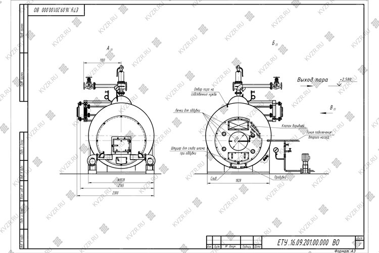
Схема парового котла Е 1.5 0.9 Р твердотопливного
Смотреть
Скачать

Схема парового котла Е 1.5 0.9 Р твердотопливного

В передней части жаровой трубы размещена топка, а в задней части - конвективный пучок труб.

В верхней части котла приварен паросборник, представляющий собой полуцилиндр. На паросборной камере устанавливаются предохранительные клапаны и два штуцера Ду15, один для установки электроконтактного манометра, второй для спуска воздуха с котла при заполнении водой при подготовке к работе.

К фронтовой плите крепится воздуховод и вентилятор для подачи воздуха в топку котла под колосниковую решетку.

На задней крышке в основании дымовой трубы выполнен предохранительный взрывной клапан.

Образующиеся в топочной камере продукты сгорания проходят конвективный пучок труб и выводятся через трубу дымовую, установленную на корпусе в хвостовой части котла.

Отвод пара парового котла Е 1.5 0.9 Р твердотопливного
Смотреть
Скачать

Отвод пара парового котла Е 1.5 0.9 Р твердотопливного

Предохранительные клапаны предназначены для стравливания давления в котле при превышении допустимого значения. На котле установлены предохранительные клапаны пропускной способностью не менее часовой производительности котла.

Принцип работы клапана состоит в том, что при достижении паром номинального давления избыток пара выходит наружу. Клапана оборудованы ручным приводом для открывания при проверке их на срабатывание.

Щит управления совместно с электрооборудованием предназначен для управления работой парового котла Е 1.5 0.9 Р твердотопливного и защиты его при возникновении аварийных ситуаций. На двери щита расположены сигнальная лампа и органы управления работой котла, с табличками, указывающими их назначение. По месту либо на стенке щита крепится сигнальная сирена.

На паросборной камере устанавливается один электроконтактный манометр. При монтаже манометра, показывающего давление пара в котле, должна быть предусмотрена установка трехходового крана между манометром и сифонным устройством. Допускается установка других устройств, позволяющих контролировать показания рабочего манометра, путем подключения в систему контрольного манометра. Электроконтактный манометр выполняет роль датчика давления и предназначен для отключения дутьевого вентилятора и включения аварийной сигнализации при достижении паром предельно допустимого давления.

Датчик уровней служит для подачи команды на включение и отключение питательного насоса котла в процессе работы.

Указатель уровня воды предназначен для визуального контроля за уровнем воды при работе котла. На корпусе указателя крепится рамка или наносятся метки, указывающие верхний и нижний уровень воды.

Легкоплавкая пробка предназначена для сброса пара во внутренний объем топочной камеры в случае упуска воды ниже аварийного уровня и достижения фактического уровня воды на работающем котле ниже верхней кромки жаровой трубы. При этом легкоплавкая пробка перестает охлаждаться котловой водой и нагревается до температуры газов в топочной камере. Из-за нагрева наполнитель легкоплавкой пробки плавится и выдавливается давлением пара в топочную камеру, при этом сбрасывается давление пара и дополнительно гасится пламя.

Дополнительные услуги

Сертификат и качество парового котла Е 1.5 0.9 Р твердотопливного

Паровые котлы производства Котельный завод "РЭП" соответствуют строгим стандартам качества и безопасности. Завод производит паровые котлы в соответствии с требованиями ГОСТ 30735-3001 по Техническим Условиям завода.

Котлы имеют сертификаты соответствия Техническим регламентам Таможенного союза:

  • ТР ТС 032/2013 «О безопасности оборудования, работающего под избыточным давлением».

Жаротрубный твердотопливный паровой котел 1500 кг / 1.5 т пара -170°С -0,9 МПа / 9 кгс/cм² имеет гарантийный срок 24 месяца и срок работы при соблюдении правил монтажа и эксплуатации оборудования 10 лет.

Сертификат на котлы паровые Е .jpg
Сертификат на паровые котлы Е
Товарный знак на котлы паровые STEAMEXPERT .jpg
Товарный знак на паровые котлы STEAMEXPERT

Отзывы о продукции

Отзыва о товаре пока нет, будьте первыми!

Паровой котел Е 1.5 0.9 на угле производительностью 1500 кг/час с температурой до 170 °С и давлением до 0.9 МПа применяется для технологических нужд в разных отраслях промышленности.

Смотреть видеообзор на

Вопрос-ответ

  • Технические
    характеристики
  • Описание
    товара
  • Комплект
    поставки
  • Дополнительно
    потребуется
  • Подключение и
    монтаж
  • Сертификаты и
    гарантии
  • Отзывы о
    продукции
  • Видео
    обзор
Документы завода
  • Сертификаты завода
  • Членство в СРО
  • Аттестованная технология сварки
  • Патенты на котельное оборудование
  • Товарные знаки
Смотреть все документы
Сертификат на водогрейные котлы на твердом и жидком топливе
Сертификат на водогрейные котлы на газе и жидком топливе
Сертификат на котлы отопительные паровые КП
Сертификат на топки
Сертификат на щиты управления
Сертификат на скиповые подъемники
Сертификат на золоуловители (циклоны)
Сертификат на конвейеры скребковые
Сертификат на дробилки
Сертификат на клапаны предохранительные
Сертификат на бункер-накопитель механизированный
Сертификат на автоматику газовых горелок
Сертификат о происхождении товара форма СТ-1
Членство в СРО
Членство в СРО
Аттестованная технология сварки
Свидетельство аттестованной технологии сварки
Патент на отопительный котел
Патент на водогрейный котел
Патент на топку водогрейного котла
Патент на водогрейный газовый котел
Патент на водогрейный котел
Патент на топочное устройство твердотопливного котла
Патент на водогрейный котел
HEATEXPERT товарный знак
KVZR товарный знак
STEAMEXPERT товарный знак
Другая похожая продукция
Паровой котел Е 1.5-0.9 Г
Лизинг
Производительность, кг/ч1500
ТопливоГаз
Температура пара, не более, °C170
Давление пара, не более, МПа0.9
1 671 000 р. Цена с НДС
Паровой котел Е 1.5-0.9 ЛЖ дизельный
Лизинг
Производительность, кг/ч1500
ТопливоЖидкое, Дизель
Температура пара, не более, °C170
Давление пара, не более, МПа0.9
1 671 000 р. Цена с НДС
Котел КПр 1500
Лизинг
Производительность, кг/ч1500
ТопливоТвердое, Уголь
Температура пара, не более, °C110, 115
Давление пара, не более, МПа0.07
1 721 000 р. Цена с НДС
Котел 1500 кг пара в час до 130 °С твердотопливный
Лизинг
Производительность, кг/ч1500
ТопливоУголь, Твердое
Температура пара, не более, °C130
Давление пара, не более, МПа0.17
2 167 000 р. Цена с НДС
Вы просматривали эти товары
Паровой котел Е 1.5-0.9 Р твердотопливный
Лизинг
Производительность, кг/ч1500
ТопливоТвердое, Уголь
Температура пара, не более, °C170
Давление пара, не более, МПа0.9
2 262 000 р. Цена с НДС
Циклон ЦН-15-1-УП
Производительность циклона, м³/ч5725-9155
174 000 р. Цена с НДС
Котел КВ ГМ под отечественную горелку
Лизинг
Вид топкиГазовая горелка
Максимальная тепловая мощность, МВт2.5
ТопливоГаз
Отапливаемая площадь, м²20900-27400
1 150 000 р. Цена с НДС
Парогенератор 1200 кг 130 С на угле
Лизинг
Производительность, кг/ч1200
ТопливоТвердое, Уголь
Температура пара, не более, °C130
Давление пара, не более, МПа0.17
1 844 000 р. Цена с НДС
background